Bagaimana Cara Kerja Chip Arus Konstan DCDC dalam Regulasi Daya Presisi Tinggi?

2025-12-19 - Tinggalkan aku pesan

Artikel Abstrak

A Chip Arus Konstan DCDCadalah komponen inti dalam sistem manajemen daya modern, yang dirancang untuk menghasilkan arus keluaran yang stabil dan terkendali terlepas dari variasi beban atau tegangan masukan. Artikel ini memberikan gambaran teknis yang komprehensif tentang cara kerja Chip Arus Konstan DCDC, memeriksa parameter kelistrikan utama, mengeksplorasi skenario aplikasi dunia nyata, dan menjawab pertanyaan teknis yang sering diajukan. Konten ini disusun untuk mendukung pengambilan keputusan teknis, pemilihan komponen, dan optimalisasi sistem jangka panjang sekaligus menyelaraskan dengan perilaku pencarian saat ini dan kebiasaan membaca profesional.

AS6911SGA


Daftar isi


Garis Besar Konten

  • Prinsip kerja mendasar dan arsitektur internal
  • Penjelasan rinci tentang parameter listrik dan termal
  • Aplikasi industri, otomotif, dan elektronik konsumen
  • FAQ Teknis yang mengatasi tantangan teknik umum
  • Tren perkembangan masa depan dan integrasi tingkat sistem

1. Bagaimana Chip Arus Konstan DCDC Dirancang untuk Mengatur Arus?

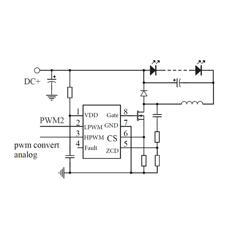
Chip Arus Konstan DCDC adalah sirkuit terintegrasi manajemen daya mode peralihan yang mempertahankan arus keluaran tetap dengan menyesuaikan siklus kerja, frekuensi peralihan, dan loop kontrol umpan balik secara dinamis. Tidak seperti regulator tegangan konstan, variabel kontrol utamanya adalah arus, bukan tegangan, sehingga jenis chip ini penting untuk beban seperti LED, dioda laser, sirkuit pengisian baterai, dan sensor presisi.

Secara internal, chip ini mengintegrasikan penguat kesalahan berkecepatan tinggi, pembanding indra arus, sumber tegangan referensi, dan driver MOSFET daya. Arus yang mengalir melalui beban diambil sampelnya melalui resistor indra internal atau eksternal. Sinyal yang dirasakan ini dibandingkan dengan ambang batas referensi, dan logika kontrol menyesuaikan perilaku peralihan untuk mengkompensasi perubahan saluran atau beban.

Tujuan utama desain adalah stabilitas arus dalam berbagai kondisi masukan. Dengan beroperasi dalam topologi buck, boost, atau buck-boost, Chip Arus Konstan DCDC dapat mendukung rentang tegangan input yang lebar sekaligus menjaga efisiensi dan keamanan termal.


2. Bagaimana Parameter Utama Menentukan Kinerja Chip Arus Konstan DCDC?

Memilih Chip Arus Konstan DCDC yang sesuai memerlukan evaluasi yang cermat terhadap karakteristik kelistrikan, termal, dan kontrolnya. Parameter ini secara langsung mempengaruhi keandalan sistem, efisiensi, dan kepatuhan terhadap standar peraturan.

Parameter Kisaran Khas Signifikansi Teknis
Rentang Tegangan Masukan 3V – 60V Mendefinisikan kompatibilitas dengan paket baterai, adaptor, atau bus industri
Akurasi Arus Keluaran ±1% hingga ±5% Menentukan ketepatan pengaturan arus di bawah beban dinamis
Frekuensi Peralihan 100kHz – 2MHz Mempengaruhi efisiensi, kinerja EMI, dan ukuran komponen pasif
Efisiensi 85% – 98% Secara langsung mempengaruhi disipasi panas dan kehilangan daya
Perlindungan Termal 150°C – 170°C Mati Mencegah kegagalan perangkat saat kelebihan beban atau pendinginan tidak mencukupi

Perangkat canggih juga mengintegrasikan fitur-fitur seperti kontrol soft-start, antarmuka peredupan PWM, penyesuaian arus analog, dan diagnostik kesalahan. Kemampuan ini menyederhanakan desain tingkat sistem dan mengurangi kebutuhan sirkuit eksternal.


Chip Arus Konstan DCDC – Pertanyaan dan Jawaban Umum

T: Bagaimana Chip Arus Konstan DCDC mempertahankan keluaran stabil ketika tegangan masukan berfluktuasi?

J: Chip terus memantau arus beban melalui loop umpan balik dan menyesuaikan siklus kerja peralihan secara real time, mengkompensasi setiap perubahan tegangan masukan tanpa mengubah tingkat arus yang diatur.

T: Bagaimana cara pengelolaan panas dalam aplikasi Chip Arus Konstan DCDC arus tinggi?

J: Panas dikelola melalui topologi peralihan efisiensi tinggi, R rendahDS (aktif)MOSFET, sirkuit pematian termal, dan tata letak PCB yang dioptimalkan untuk meningkatkan pembuangan panas.

T: Apa perbedaan chip arus konstan dengan pengatur tegangan konstan dalam desain sistem?

J: Chip arus konstan mengutamakan keakuratan arus daripada stabilitas tegangan, sehingga cocok untuk beban yang sensitif terhadap arus di mana tegangan dapat bervariasi tergantung pada kondisi pengoperasian.


3. Bagaimana Chip Arus Konstan DCDC Diterapkan di Seluruh Industri?

Chip Arus Konstan DCDC banyak digunakan di berbagai industri karena fleksibilitas dan efisiensinya. Dalam sistem pencahayaan solid-state, lampu ini memastikan kecerahan seragam dan memperpanjang masa pakai LED. Dalam elektronik otomotif, mereka mendukung pencahayaan adaptif, kluster instrumen, dan subsistem manajemen baterai.

Sistem otomasi industri menggunakan chip ini untuk menggerakkan sensor, aktuator, dan komponen optik yang memerlukan perilaku arus yang dapat diprediksi. Perangkat medis mengandalkan regulasi arus konstan untuk menjamin keakuratan sinyal dan keselamatan pasien. Barang elektronik konsumen mendapat manfaat dari integrasi yang ringkas dan konsumsi daya yang rendah, khususnya pada perangkat portabel.

Setiap skenario aplikasi menerapkan persyaratan kelistrikan dan lingkungan yang unik, sehingga memperkuat pentingnya memilih chip dengan fitur perlindungan dan antarmuka kontrol yang sesuai.


4. Bagaimana Teknologi Chip Arus Konstan DCDC Berkembang?

Evolusi teknologi Chip Arus Konstan DCDC didorong oleh meningkatnya permintaan akan efisiensi yang lebih tinggi, toleransi tegangan input yang lebih luas, dan kontrol cerdas. Desain masa depan menekankan loop kontrol digital, penskalaan arus adaptif, dan integrasi yang lebih erat dengan mikrokontroler dan antarmuka komunikasi.

Bahan semikonduktor dengan celah pita lebar seperti GaN dan SiC memengaruhi arsitektur generasi mendatang dengan memungkinkan frekuensi peralihan yang lebih tinggi dan mengurangi kerugian konduksi. Selain itu, integrasi sistem-on-chip mengurangi jejak sekaligus meningkatkan keandalan.

Ketika sistem tenaga listrik menjadi lebih terdistribusi dan cerdas, regulasi arus konstan akan tetap menjadi kemampuan dasar yang mendukung efisiensi energi dan optimalisasi kinerja.


Shenzhen Cokintech Co., Ltd.berfokus pada pengembangan dan penyediaan solusi Chip Arus Konstan DCDC berkinerja tinggi yang disesuaikan untuk aplikasi industri, otomotif, dan elektronik tingkat lanjut. Melalui penyempurnaan teknik berkelanjutan dan manufaktur berbasis kualitas, perusahaan mendukung desain manajemen daya yang stabil dan terukur.

Untuk konsultasi teknis, penyesuaian parameter, atau rekomendasi khusus aplikasi, silakanHubungi kamiuntuk mendiskusikan persyaratan proyek dan peluang kolaborasi jangka panjang.

mengirimkan permintaan

X
Kami menggunakan cookie untuk menawarkan Anda pengalaman penelusuran yang lebih baik, menganalisis lalu lintas situs, dan mempersonalisasi konten. Dengan menggunakan situs ini, Anda menyetujui penggunaan cookie kami. Kebijakan Privasi