Untuk kepadatan daya tinggi, kebutuhan pengisian cepat keluaran daya tinggi, Sillij meluncurkan pengontrol kombinasi PFC+LLC berkinerja tinggi SY5055, yang menyegel BOOST PFC depan dan pengontrol LLC belakang, membuat sirkuit periferal lebih ringkas, menghemat biaya dan juga kondusif untuk meningka......
Baca selengkapnyaDengan peningkatan kualitas hidup konsumen, kendali jarak jauh berjaringan menjadikan peralatan rumah tangga pintar dengan "sense of science and technology" halo menjadi generasi baru...
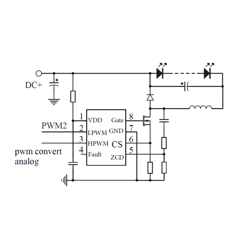
Baca selengkapnyaDi era elektronik modern, Chip Arus Konstan ACDC telah menjadi sangat diperlukan dalam memberi daya pada perangkat yang menuntut konversi energi yang stabil dan efisien. Chip ini bertindak sebagai penghubung penting antara masukan arus bolak-balik (AC) dan keluaran arus searah (DC), memastikan bahwa......
Baca selengkapnyaSebagai komponen inti yang berfokus pada skenario kontrol elektronik, keunggulan inti KP86201 tercermin dalam akurasi kontrol dan stabilitas operasi. Kompatibilitas adaptasi dan optimalisasi efisiensi energi adalah karakteristik utamanya, yang tidak hanya dapat memenuhi kebutuhan regulasi yang tepat......
Baca selengkapnya